Aks Dişlisi
Aks Dişlisi

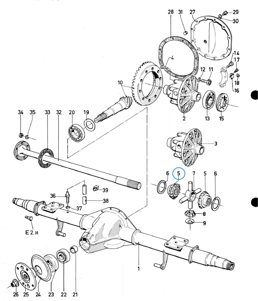
Aks Dişlisi (6200510)

Marka : reproparts
Fiyat : ₺2.601,34(KDV Dahil)
₺347,54 'den başlayan taksitlerle

ADET

Artır Azalt
cultureSettings.RegionId: 0 cultureSettings.LanguageCode: TR